





HLT-141动态扭矩传感器
一、应用范围:
HLT-141系列扭矩传感器是一种测量各种扭矩、的精密测量仪器。应用范围十分广泛,主要用于:
1、电动机、发动机、内燃机等旋转动力设备输出扭矩的检测;
2、风机、水泵、齿轮箱、扭力板手的扭矩的检测;
3、铁路机车、汽车、拖拉机、飞机、船舶、矿山机械中的扭矩的检测;
4、可用于污水处理系统中的扭矩的检测;
5、可用于制造粘度计;
6、可用于过程工业和流程工业中。

二、基本原理:
采用电阻应变电测技术。在弹性轴上粘贴应变计组成测量电桥,当弹性轴受扭矩产生微小变形后引起电桥电阻值变化,应变电桥电阻的变化转变为电信号的变化从而实现扭矩测量。为敏感元件和集成电路构成的一体产品,精度高,性能稳定可靠。没有集流环等磨损件,高低档转矩输出都非常稳定。最高转速不超过1800转/分钟。
三、产品特点:
1.检测精度高、稳定性好、抗干扰性强。
2.尺寸小巧,(全国最小)做工精良,采用进口芯体和进口胶水,可替代进口产品。
3.不需反复调零即可,连续测量正反扭矩。
4.即可测量静止扭矩,也可测量动态扭矩。
5.传感器可脱离二次仪表独立使用,输出毫伏电压信号,也可以和仪表或者变送器相连,输出模拟信号或者数字信号。
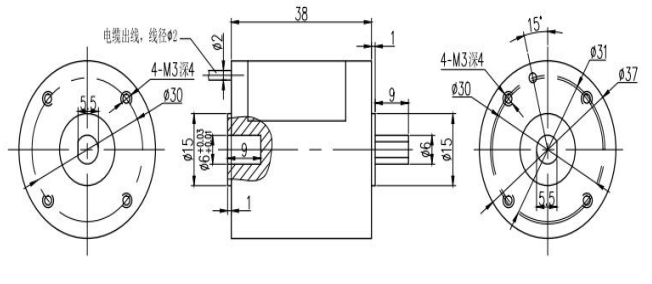
6.安装简单,只需固定侧面的M3螺纹孔即可,不需要底座。








Copyright © 深圳市华力腾科技有限公司地址:广东省深圳市龙华区观澜街道新田社区新丰工业区2栋3楼 备案号:粤ICP备16036864号-1技术支持:概念网络[概念建站]
管理员
该内容暂无评论