

HLT-52 三分力传感器

一、 主要特点
1、三维力传感器可用来测量三个方向的受力情况。
2、该系列传感器有三种可选载荷量(每通道)
3、该传感器有高质量的合金钢制成。这些材料结合多种耐候密封设计,提供了高度的防侵蚀效果
4、基于电阻应变原理,可实时的测量物体在X/Y/Z三个方向上的静态和动态受力情况 。
二、Capacities 量程
5kg、10kg、20kg、30kg、50kg、100kg、200kg
三、Specification 技术参数
Rated Output | 额定输出 | 1.0mV/V ±0.1% |
Zero Balance | 零点平衡 | ±2% of rated output |
Creep after 30 minutes | 蠕变 | ±0.5% of rated output |
Nonlinearity | 非线性 | ±0.5% of rated output |
Repeatability | 重复性 | ±0.5% of rated output |
Temp. effect on output | 灵敏度温漂 | ≤0.02% of applied output/ºC |
Temp. effect on zero | 零点温漂 | ≤0.02% of applied output/ºC |
Safe Temp. Range | 可用温度范围 | -10ºC to + 70ºC |
Temp. Compensated | 温度补偿范围 | -10ºC to + 40ºC |
Safe Overload | 安全载荷 | 150% |
Input Impedance | 输入阻抗 | 387 ohm ± 20 ohm |
Output Impedance | 输出阻抗 | 350 ohm ± 5 ohm |
Rated Excitation | 推荐激励电压 | 12V DC/AC |
Maximum Excitation | 较大激励电压 | 15V DC/AC |
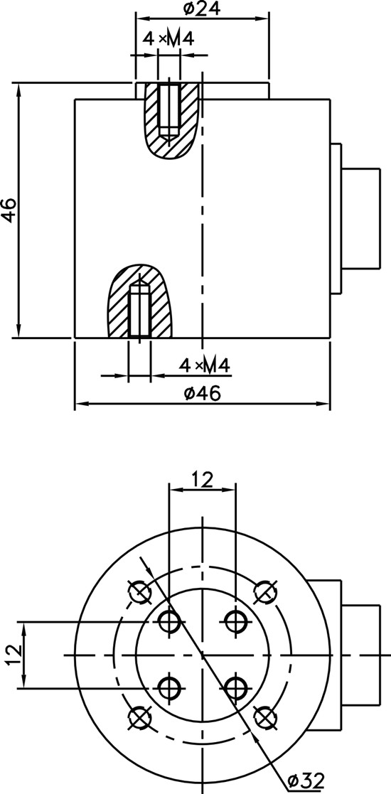
四、尺寸

Copyright © 深圳市华力腾科技有限公司地址:广东省深圳市龙华区观澜街道新田社区新丰工业区2栋3楼 备案号:粤ICP备16036864号-1技术支持:概念网络[概念建站]
管理员
该内容暂无评论